Logo
Explore Help
Sign In
pacnpal/RASCSI
1
0
Fork 0
You've already forked RASCSI
mirror of https://github.com/thewesker/RASCSI.git synced 2025-12-26 07:11:09 -05:00
Code Issues Packages Projects Releases Wiki Activity
Files
patch-2
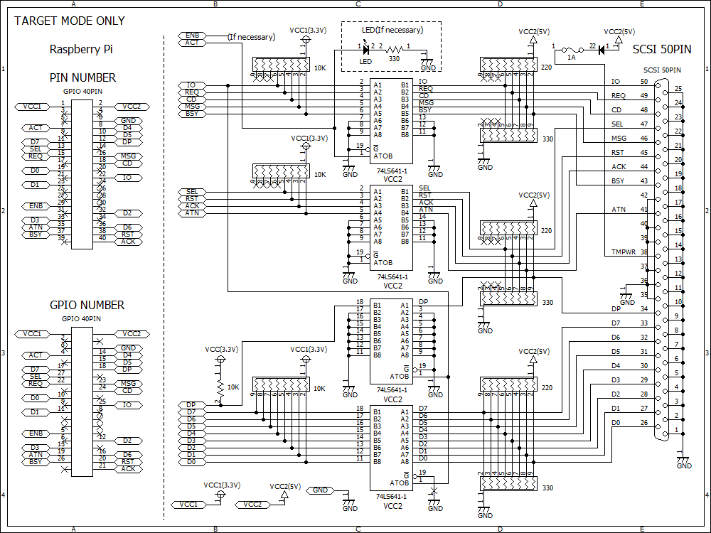
RASCSI/doc/target.png
Tony Kuker 00186fd77e Merged in RASCSI version 1.47 and re-generated english PDF
2020-07-04 09:57:44 -05:00

72 KiB
1000x750px
Raw Permalink History

/pacnpal/RASCSI/raw/branch/patch-2/doc/target.png
Reference in New Issue View Git Blame Copy Permalink
Powered by Gitea Version: 1.25.3 Page: 149ms Template: 2ms
English
Bahasa Indonesia Deutsch English Español Français Gaeilge Italiano Latviešu Magyar nyelv Nederlands Polski Português de Portugal Português do Brasil Suomi Svenska Türkçe Čeština Ελληνικά Български Русский Українська فارسی മലയാളം 日本語 简体中文 繁體中文(台灣) 繁體中文(香港) 한국어
Licenses API