This website requires JavaScript.
Explore
Help
Sign In
pacnpal
/
RASCSI
Watch
1
Star
0
Fork
0
You've already forked RASCSI
mirror of
https://github.com/thewesker/RASCSI.git
synced
2025-12-27 23:57:01 -05:00
Code
Issues
Packages
Projects
Releases
Wiki
Activity
Files
5a71783d33b3622e049cf53834bf62996f1457f9
RASCSI
/
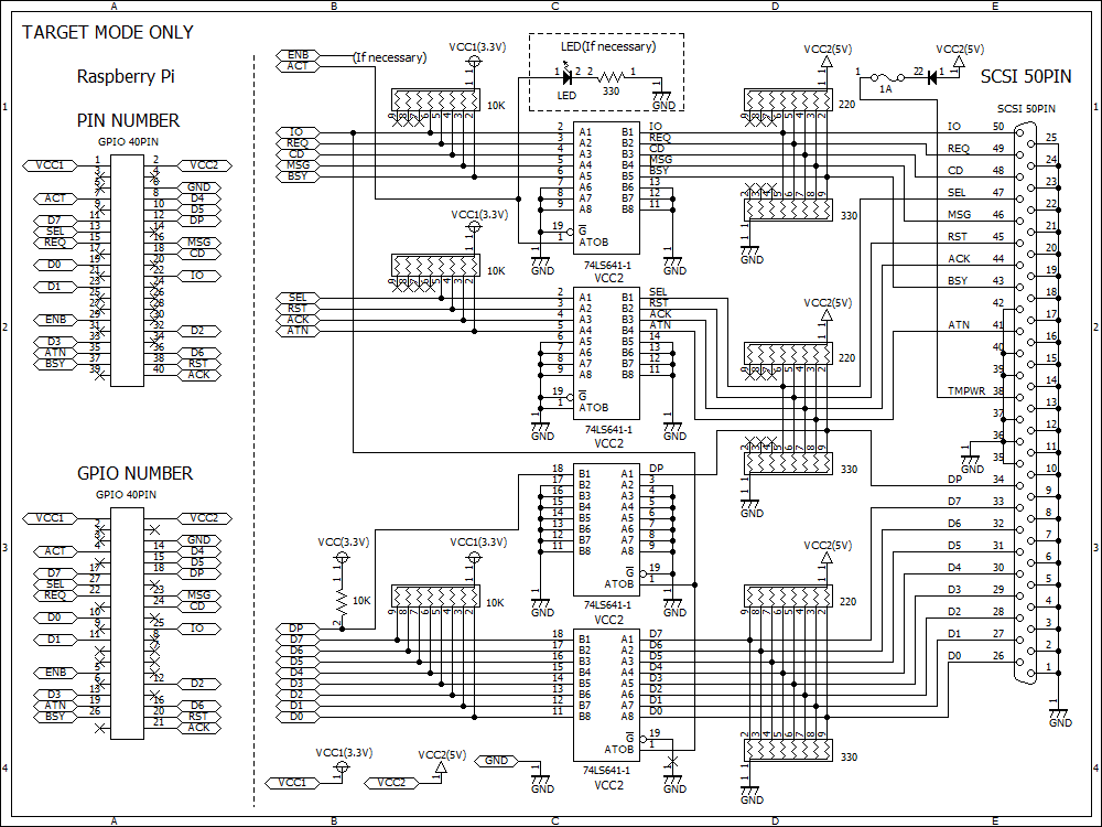
doc
/
target.png
Tony Kuker
00186fd77e
Merged in RASCSI version 1.47 and re-generated english PDF
2020-07-04 09:57:44 -05:00
72 KiB
1000x750px
Raw
History
Reference in New Issue
View Git Blame
Copy Permalink