This website requires JavaScript.
Explore
Help
Sign In
pacnpal
/
RASCSI
Watch
1
Star
0
Fork
0
You've already forked RASCSI
mirror of
https://github.com/thewesker/RASCSI.git
synced
2025-12-28 16:17:01 -05:00
Code
Issues
Packages
Projects
Releases
Wiki
Activity
Files
5bba1eff3b047dcaec0c7114b351a260ae185b77
RASCSI
/
doc
/
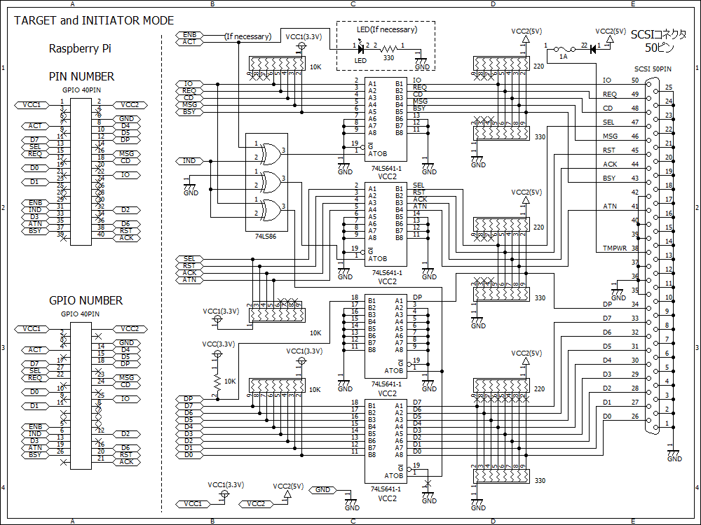
initiator.png
Xavier Rey-Robert
35866cfb84
first commit
2018-05-03 15:47:57 +02:00
75 KiB
1000x750px
Raw
History
Reference in New Issue
View Git Blame
Copy Permalink