This website requires JavaScript.
Explore
Help
Sign In
pacnpal
/
RASCSI
Watch
1
Star
0
Fork
0
You've already forked RASCSI
mirror of
https://github.com/thewesker/RASCSI.git
synced
2025-12-26 07:11:09 -05:00
Code
Issues
Packages
Projects
Releases
Wiki
Activity
Files
f263dd03b36a86cfdce0e7fab8fb1e768e4ec58c
RASCSI
/
doc
/
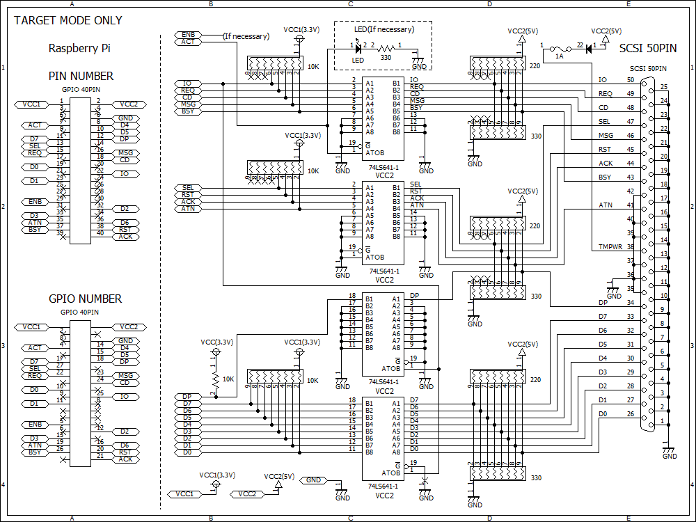
target.png
Tony Kuker
00186fd77e
Merged in RASCSI version 1.47 and re-generated english PDF
2020-07-04 09:57:44 -05:00
72 KiB
1000x750px
Raw
History
Reference in New Issue
View Git Blame
Copy Permalink